AS-25角行程電動執行機構
2018-03-16
AS-25智能型角行程電動執行機構是天津伯納德自控公司引進法國伯納德技術生産的具有世界先進水平的産品,其主要部件均爲進口,産品嚴格執行國家标準,目前生産的的有調節型、遠控型、開關型等型号,可用于控制各類轉角90°的閥門如:蝶閥、球閥、百葉閥、風門、旋塞閥、擋闆閥等。功能齊全、質量穩定、安全可靠、精度高、規格多、重量輕、調試安裝靈活方便,廣泛應用于電力、冶金、石油、建材、供熱、輕工、水處理等行業,在工業過程控制系統中發揮重要作用。
SD角行程電動執行機構型号規格表:

SD角行程電動執行機構标準代号定義:

主要技術指标:
下述技術指标主要适用于比例調節型,對遠控型及開關型下例1、2、3、4、5、6項不涉及。
1. 輸入信号: 4~20mA (或1~5V)DC等
2. 輸入通道電阻: 250 歐
3. 輸入通道個數: 1個(分立式爲3個)
4. 基本誤差: 1%、2.5%
5. 回 差: ≤1.5%
6. 死 區: 0.5%~3%連續可調 (可根據系統要求調整)
7. 阻尼特性: 無擺動
8. 電源電壓: 三相380V、50Hz (或400V、50Hz);
單相220V、50Hz (或230V、50Hz)
9. 工作環境: 溫度: 整體式-25°C~+75 °C,分立式-25°C ~+85°C;
濕度: ≤85%周圍空氣不含有腐蝕性質
10.防護等級: 符合IEC14 IP65 (即防雨防塵);位置定位器GAMX符合IEC14 IP44,
(分立式GAMX爲室内安裝的除外)。
11.斷信号保護:根據需要供貨時可選擇全開、全關、保留原位,一般出廠時設爲保留原位
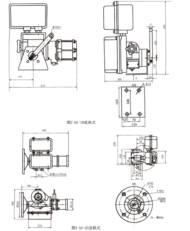
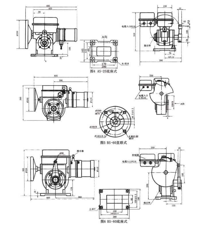
SD伯納德電動執行器外形及連接尺寸圖:



